引言:选型是仪表工程的起点
一个工业装置的仪表系统,从设计到投产,要经历方案设计、基础设计、详细设计、采购、安装、调试等多个阶段。在这个漫长的过程中,仪表选型是最关键的环节之一。选型正确,仪表系统运行稳定、维护方便、经济合理;选型失误,轻则仪表频繁故障、测量不准,重则引发安全事故,造成巨大损失。
工业仪表的选型不是简单地查产品手册、比较价格,而是一项需要综合考虑工艺条件、测量要求、安装环境、维护需求、经济性等多方面因素的系统工程。一名优秀的仪表工程师,不仅要熟悉各类仪表的工作原理和技术特性,还要深入理解工艺流程,与工艺工程师、设备工程师密切配合,才能做出最优的选型决策。
一、仪表选型的基本原则
1.1 适用性原则
适用性是仪表选型的首要原则。仪表必须能够在实际工艺条件下正常工作,测量结果满足工艺控制和安全监测的要求。
适用性考量包括以下几个维度。测量范围方面,仪表的量程必须覆盖工艺参数的正常操作范围和可能的极端工况,通常要求正常操作值处于量程的30%~70%之间,既保证足够的测量精度,又留有余量应对异常工况。
介质相容性方面,仪表与工艺介质接触的材料必须耐腐蚀、耐高温、耐磨损。例如,测量盐酸介质的压力变送器,膜片材料应选用哈氏合金C-276或钽;测量含固体颗粒浆料的流量,应选用电磁流量计或科里奥利质量流量计,而非孔板差压流量计。
工况适应性方面,仪表必须能够在实际安装环境中正常工作。高温环境需要考虑仪表的环境温度限制;振动环境需要选用抗振型仪表;腐蚀性气体环境需要选用防腐型外壳;爆炸危险区域需要选用防爆型仪表。
1.2 可靠性原则
工业仪表的可靠性直接影响生产的连续性和安全性。可靠性高的仪表,故障率低、使用寿命长、维护工作量小,综合使用成本低。
可靠性评估需要考虑以下因素。仪表的结构复杂度——结构越简单,故障点越少,可靠性越高。例如,超声波流量计没有运动部件,可靠性高于涡轮流量计。仪表的工作原理——非接触式测量(如雷达液位计)比接触式测量(如浮球液位计)更可靠,因为不存在机械磨损。仪表的防护等级——IP65以上的防护等级可以有效防止粉尘和水进入仪表,延长使用寿命。
对于关键测量点(如安全联锁回路的测量仪表),需要配置冗余仪表,通常采用2oo3(三取二)或1oo2(二取一)的冗余结构,确保单台仪表故障不影响安全功能。
1.3 经济性原则
经济性原则要求在满足技术要求的前提下,选择性价比最优的仪表。经济性不仅包括仪表的采购价格,还包括安装成本、运行成本和维护成本。
采购价格是最直观的经济性指标,但不是唯一的。一台价格较高但可靠性好、维护简单的仪表,其全生命周期成本可能低于价格便宜但故障率高的仪表。
安装成本方面,需要考虑仪表的安装方式和配套设施。例如,差压流量计需要安装节流装置(孔板、喷嘴等)和引压管,安装成本较高;超声波流量计只需夹装在管道外壁,安装成本低。
运行成本方面,需要考虑仪表的能耗和消耗品。例如,气动仪表需要持续供应仪表风,运行成本高于电动仪表;部分分析仪器需要定期更换传感器或消耗标准气体,运行成本较高。
1.4 标准化原则
标准化是大型工业装置仪表管理的重要原则。在同一装置或同一企业内,尽量统一仪表的品牌、型号和规格,可以减少备品备件的种类和数量,降低库存成本;减少维护人员需要掌握的仪表类型,提高维护效率;简化工程设计和采购工作,降低管理成本。
标准化不意味着一成不变。随着技术进步和产品更新,企业应定期评估和更新仪表标准,引入性能更好、成本更低的新产品,淘汰老旧产品。
二、流量仪表选型
2.1 流量仪表选型矩阵
流量仪表是工业仪表中种类最多、选型最复杂的一类。不同原理的流量计适用于不同的介质和工况,选型时需要综合考虑多种因素。
差压式流量计(孔板、喷嘴、文丘里管)是历史最悠久、应用最广泛的流量测量方式。其优点是结构简单、无运动部件、适用范围广(气体、液体、蒸汽均可)、价格低廉;缺点是压力损失较大、量程比小(通常3:1)、需要较长的直管段(上游10D~20D,下游5D)。适用于大口径管道(DN50以上)、蒸汽流量测量、精度要求不高(±1%~±2%)的场合。
电磁流量计适用于导电液体(电导率>5μS/cm)的流量测量,不受介质密度、黏度、温度、压力变化的影响,无压力损失,量程比宽(100:1),精度高(±0.5%)。特别适合含固体颗粒的浆料、腐蚀性液体、污水等介质。不适用于气体、蒸汽和非导电液体(如纯水、油品)。
涡街流量计利用卡门涡街原理测量流量,适用于气体、液体和蒸汽,无运动部件,维护量小,量程比宽(10:1~30:1),精度±1%。缺点是对振动敏感,低流速时精度下降,不适合高黏度液体和含固体颗粒介质。
科里奥利质量流量计直接测量质量流量,精度最高(±0.1%~±0.2%),同时可以测量密度,不受介质物性变化影响。缺点是价格昂贵,压力损失较大,不适合大口径(DN100以上)和含气泡介质。适合高精度贸易计量、化工配料、食品医药等场合。
超声波流量计分为夹装式和插入式,安装方便,无压力损失,适合大口径管道(DN200以上)和不能停产改造的场合。精度±1%~±2%,受介质中气泡和固体颗粒影响较大。
2.2 蒸汽流量测量的特殊考虑
蒸汽流量测量是工业中的难点之一。蒸汽的密度随温度和压力变化显著,必须进行温度压力补偿才能得到准确的质量流量。
饱和蒸汽的密度只与压力(或温度)有关,只需测量一个参数即可进行密度补偿。过热蒸汽的密度同时受温度和压力影响,需要同时测量温度和压力进行补偿。
蒸汽流量测量常用的仪表包括孔板差压流量计(配温度压力补偿)、涡街流量计(配温度压力补偿)和多变量流量变送器(内置温度压力补偿计算)。多变量流量变送器将差压、绝对压力、温度三个测量集成在一台仪表中,减少了安装工作量和测量误差。
三、压力仪表选型
3.1 压力仪表类型选择
压力仪表的选型首先需要确定测量类型:表压(相对于大气压的压力)、绝对压力(相对于真空的压力)、差压(两点之间的压力差)还是负压(真空度)。
量程选择方面,压力仪表的量程应使正常操作压力处于量程的1/3~2/3之间。对于脉动压力(如泵出口),量程应选择最大压力的1.5倍以上,并配置阻尼器。对于可能出现超压的场合,应选择带超压保护的仪表或配置安全阀。
精度等级方面,一般过程监测选用0.5级或1.0级,控制回路选用0.2级或0.1级,贸易计量和安全联锁选用0.1级或更高。
3.2 特殊介质的压力测量
高黏度介质(如沥青、重油)容易堵塞引压管,应选用法兰式压力变送器(直接安装在工艺管道上,无引压管)或配置隔离膜片和毛细管。
含固体颗粒介质(如矿浆、纸浆)会磨损和堵塞普通压力变送器,应选用平膜片式压力变送器,膜片与介质直接接触,无死角。
腐蚀性介质需要根据介质的腐蚀性选择合适的膜片材料。常用材料包括316L不锈钢(适合一般腐蚀性介质)、哈氏合金C-276(适合盐酸、氯化物)、钽(适合强腐蚀性酸)、PTFE(适合强氧化性介质)。
高温介质(>120℃)需要配置散热弯管或冷凝器,将介质温度降低到变送器允许的范围内。对于蒸汽压力测量,必须配置冷凝弯管,防止蒸汽直接进入变送器损坏传感器。
四、温度仪表选型
4.1 测温元件选型
热电阻(RTD)适合-200~600℃范围的精密温度测量,精度高(A级±0.15℃),稳定性好,适合控制回路和精密测量。铂热电阻Pt100是最常用的工业热电阻,Pt1000适合远距离传输(线路电阻影响小)。
热电偶适合宽温度范围(-200~1800℃)的温度测量,响应速度快,结构简单,价格低廉。常用热电偶类型包括K型(-200~1300℃,通用型)、S型(0~1600℃,高温精密型)、B型(600~1800℃,超高温型)、T型(-200~350℃,低温型)。热电偶的精度低于热电阻,适合精度要求不高或高温场合。
红外测温仪适合高温(>500℃)、运动物体、不能接触的场合,如钢铁冶炼、玻璃加工、旋转窑炉等。选型时需要注意发射率设置和测温距离。
4.2 温度变送器与保护套管
温度变送器将热电偶或热电阻的信号转换为4-20mA标准信号,安装在传感器接线盒内(头部安装型)或控制柜内(导轨安装型)。头部安装型变送器减少了信号传输距离,降低了干扰影响,是现代工业的主流选择。
保护套管是温度传感器的机械保护装置,将传感器与工艺介质隔离,防止介质腐蚀和冲刷损坏传感器。保护套管的材料需要根据介质腐蚀性选择(碳钢、不锈钢、哈氏合金等),壁厚需要根据介质压力和流速计算(防止共振和断裂)。
对于高流速介质(>3m/s),需要进行保护套管的固有频率计算,确保套管的固有频率远离介质流速引起的卡门涡街频率,防止共振断裂。
五、液位仪表选型
5.1 液位测量方法比较
浮球液位计结构简单、价格低廉,适合清洁液体的液位测量,不适合高黏度、含固体颗粒或腐蚀性介质。
差压式液位计利用液柱静压力与液位的关系测量液位,适用范围广,可用于高温高压容器。缺点是受介质密度变化影响,需要密度补偿;引压管容易堵塞,需要定期维护。
雷达液位计是目前应用最广泛的非接触式液位测量仪表,不受介质物性变化影响,适合腐蚀性、高黏度、含固体颗粒等复杂介质。导波雷达(接触式)适合低介电常数介质(如油品);非接触雷达适合大型储罐和腐蚀性介质。
超声波液位计利用超声波反射原理测量液位,安装方便,价格适中。缺点是受介质蒸气、泡沫、温度梯度影响较大,不适合真空容器和高温介质。
磁翻板液位计适合高温高压容器的就地液位显示,直观可靠,无需电源,适合安全要求高的场合。
5.2 储罐液位测量的特殊要求
大型储罐(如原油储罐、液化气储罐)的液位测量有特殊要求。贸易计量储罐需要高精度液位计(精度±1mm),通常选用高精度雷达液位计(FMCW调频连续波型)。
液化气储罐(LNG、LPG)的液位测量需要考虑低温(-162℃)和高压条件,选用专用低温型雷达液位计或差压液位计,材料需要耐低温(奥氏体不锈钢或铝合金)。
六、仪表数据表与工程文件
6.1 仪表数据表
仪表数据表(Instrument Data Sheet)是仪表选型和采购的核心文件,详细记录了每台仪表的技术要求。一份完整的仪表数据表通常包含以下内容。
基本信息部分包括仪表位号(Tag Number)、仪表类型、安装位置、服务描述(测量什么介质的什么参数)。工艺条件部分包括介质名称、操作温度、操作压力、介质密度/黏度/腐蚀性、流量范围(对于流量计)。技术要求部分包括测量范围、精度等级、输出信号类型、防爆等级、防护等级、材料要求。安装要求部分包括连接方式(法兰/螺纹/卡箍)、连接尺寸、安装方向。
仪表数据表是工程师与供应商沟通的桥梁,也是采购合同的技术附件。供应商根据数据表提供符合要求的产品,工程师根据数据表审查供应商的技术文件。
6.2 P&ID图中的仪表表示

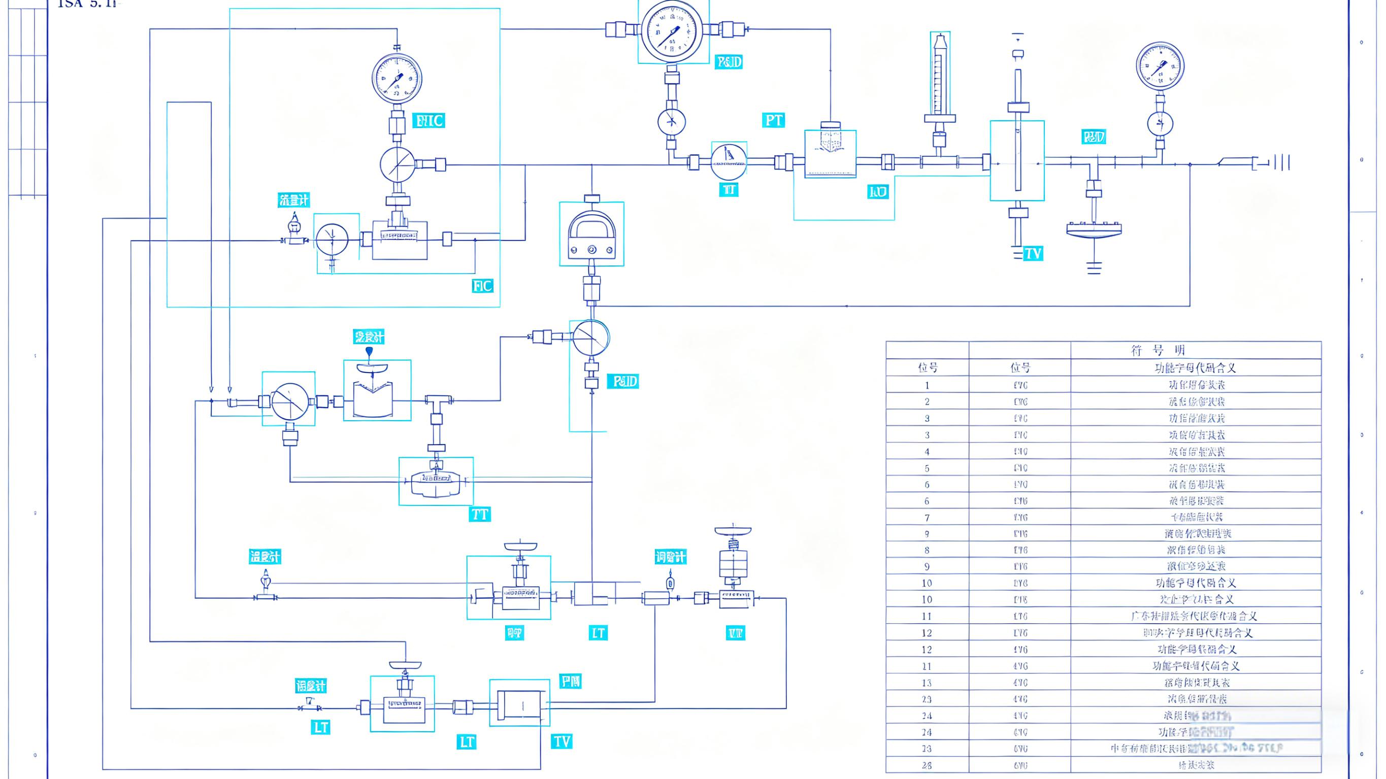
管道仪表流程图(P&ID,Piping and Instrumentation Diagram)是工程设计中最重要的文件之一,展示了工艺管道、设备和仪表的连接关系。P&ID图中的仪表用标准符号表示,遵循ISA 5.1标准。
仪表符号由圆圈(或方框)和字母代码组成。圆圈内的字母代码表示仪表的功能,第一个字母表示被测变量(P=压力、T=温度、F=流量、L=液位、A=分析),后续字母表示仪表功能(I=指示、C=控制、T=变送、A=报警、S=开关)。例如,FIC表示流量指示控制器,PT表示压力变送器,LAH表示液位高报警。
圆圈的位置和线型表示仪表的安装位置:实线圆圈表示现场安装,虚线圆圈表示控制室安装,双线圆圈表示DCS/PLC系统内的功能块。
瑞德富仕RDFS案例:某大型化工装置,仪表工程师使用RDFS提供的仪表选型软件,根据P&ID图中的仪表位号和工艺条件,自动生成仪表数据表草稿,工程师审核修改后作为采购文件。项目共涉及仪表1200台,选型工作效率提升60%,数据表错误率降低80%。
七、瑞德富仕RDFS产品推荐
RDFS-FT100是差压式流量变送器,配套孔板节流装置,适合蒸汽、气体、液体流量测量,精度±0.5%,支持HART通讯,内置温度压力补偿计算。
RDFS-FT200是电磁流量计,口径DN15~DN2000,精度±0.5%,衬里材料可选PTFE/橡胶/聚氨酯,电极材料可选316L/哈氏合金/钛,适合导电液体和浆料流量测量。
RDFS-FT300是涡街流量计,适合气体、液体、蒸汽,精度±1%,内置温度压力补偿,支持HART通讯,适合蒸汽计量和气体流量测量。
RDFS-PT100是智能压力变送器,量程0~40MPa,精度0.075%,支持HART通讯,膜片材料可选316L/哈氏合金/钽,适合各种工业压力测量。
RDFS-TT100是头部安装型温度变送器,支持热电偶和热电阻输入,精度0.1%,支持HART通讯,内置冷端补偿,适合工业过程温度测量。
RDFS-LT100是雷达液位计,测量范围0~30m,精度±2mm,支持HART通讯,适合储罐和容器液位测量,导波型和非接触型均有。
结语
工业仪表选型是一门融合工艺知识、仪表技术和工程经验的综合性学科。正确的选型不仅需要掌握各类仪表的工作原理和技术特性,更需要深入理解工艺流程和操作需求,在适用性、可靠性和经济性之间找到最优平衡点。
随着工业数字化的深入推进,仪表选型的方法也在不断进化——从经验驱动走向数据驱动,从手工查表走向智能推荐,从单台选型走向系统优化。掌握先进的选型方法和工具,是仪表工程师提升专业竞争力的重要途径。
选择瑞德富仕RDFS仪表产品,就是选择经过工程实践验证的可靠品质。我们不仅提供覆盖流量、压力、温度、液位、分析等全系列的工业仪表产品,更提供专业的选型咨询、工程设计支持和全生命周期技术服务,帮助工程师做出最优的选型决策。
瑞德富仕RDFS——专业选型,精准测量,可靠控制。

